随着新能源汽车的不断普及, 电动汽车在生活中越来越常见, 随之而来的就是电动汽车充电问题. 当今电动汽车的充电主要由人工完成, 因为人工可以通过利用感觉(如视觉、触觉和动觉)适应充电枪位置或姿态的变化. 随着工业机器人技术的发展, 高效率和低成本的工业机器人代替人完成充电枪的装配操作是发展趋势.
搭载传感器的机器人完成充电枪的装配是一个挑战. 首先充电枪装配问题不同于常见的圆形轴孔装配, 是一个类圆形轴孔装配; 其次充电枪与充电枪座的配合公差仅为0.25 mm. 由于初始定位的误差可能会超过配合公差, 容易导致装配失败, 针对充电枪的装配需要设计寻孔策略.
目前, 寻孔策略分为被动的寻孔策略和主动的寻孔策略两大类. 被动的寻孔策略包括盲搜索和使用被动柔顺机器人装配装置, 其中盲搜索是解决装配问题的常用方法, 其针对圆形零件装配问题有效, 但缺点是在实际工业应用中较为耗时. 采用被动柔顺机器人装配装置的方法主要针对特定应用场景, 通过一些具有柔顺特性的机械结构, 实现装配过程中主配件对接触环境的顺从性. 主动的寻孔策略通过视觉和力/扭矩等传感器模拟人类感官来完成寻孔, 包括主动柔顺控制、基于智能控制的寻孔策略以及两者相结合的寻孔策略.
近些年的装配问题研究中, 被动的寻孔策略仍是解决装配问题的常用方法. 吴炳龙等[1]采用力/位混合控制和螺旋搜孔策略解决了高精密装配中的轴孔装配问题. Park等[2]提出了令方形轴按螺旋轨迹运动进行寻孔的策略. Lou等[3]提出了一种4自由度的电缆驱动自动充电机器人(CDACR), 其末端执行器是一种柔性插头, 能承受较小的弹性形变, 再通过控制移动平台的运动实现插拔策略. 使用被动柔顺机器人装配装置虽然具有低成本、响应快等优点, 但是存在适用性低、精度不高等缺陷.
对于主动的寻孔策略的研究, Abdullah等[4]提出了使用力/扭矩传感器和视觉系统的自动轴孔装配方法, 根据力/扭矩传感器的数据创建模型估计孔中心在寻孔过程中的位置, 所建立模型估计的接触角的准确度为86
近年来, 支持向量机(SVM)[19]及其变种[20-22]已广泛应用于分类问题, 它具有良好的泛化特性, 并且与上述方法相比效率较高. 综合以上考虑, 有必要研究一种以接触力为基本特征点的SVM线性分割算法的寻孔接触状态识别方法, 并在此基础上研究一种基于接触状态分类与静力分析的机器人操作充电枪寻孔策略.
本文从充电枪充电操作应用场景出发, 通过模拟操作人员的充电操作过程, 利用接触力为基本特征点的SVM线性分割算法, 结合侧向力和装配力的判断条件, 实现寻孔接触状态的识别. 基于接触状态分类与静力分析, 结合导纳方程得到的期望速度, 针对3种接触状态提出端面接触状态下的向心方向轨迹规划、两点接触状态下的侧向力方向轨迹规划、三点接触状态下的扭矩方向轨迹规划, 实现机器人操作充电枪寻孔策略. 在构建的6自由度的协作机器人和充电枪及充电枪座的实验平台上验证所提出算法的有效性.
1 问题描述机器人充电操作系统如图 1所示, 主要包括双目视觉系统、机器人、六维力传感器、充电枪、充电枪座. 同时在系统中建立机器人基坐标系
|
图 1 机器人充电操作系统 |
类似于操作员携带充电枪的充电操作, 机器人使用双目视觉定位充电枪座的位置, 即定位. 从定位到寻孔的过程中, 在机器人末端施加的装配力作用下充电枪会移向充电枪座所在的表面, 直到接触. 大多数情况下, 仅靠视觉系统无法精确对准充电枪座中心, 机器人还需要靠六维力传感器识别不同的接触状态, 据此确定偏差方向进行寻孔, 当机器人受到阻力突然减小时, 意味着充电枪插头寻到了充电枪座孔, 接下来进行插孔操作.
图 2所示在装配力作用下充电枪寻孔过程的4种接触状态. 如图 2(a)所示, 充电枪与充电枪座之间为端面接触状态, 当充电枪头部中心位于充电枪座表面之外时, 通常会出现这种情况. 如图 2(b)所示, 如果充电枪的中心靠近充电枪座, 则充电枪会因为倾斜而与充电枪座发生两点接触, 这种接触状态下接触点处的滑动是允许的, 因此充电枪可以沿着充电枪座的边缘移动, 以保持两点接触. 三点接触如图 2(c)所示, 当充电枪与充电枪座之间配合公差较大且充电枪插头初始定位姿态误差较大时, 便会发生三点接触. 如果初始定位姿态误差较小并且配合公差较小, 则充电枪会插入孔中, 发生如图 2(d)所示的侧面接触.
|
图 2 装配力作用下的充电枪寻孔接触状态 |
图 3为基于接触状态识别的寻孔策略结构. 基于接触力为基本特征点的SVM线性分割算法, 提出一种寻孔接触状态识别方法. 通过线性分割线正确识别端面接触状态与其他接触状态. 最后基于接触状态分类与静力分析, 结合导纳方程得到的期望速度, 针对3种接触状态提出3种寻孔策略:
|
图 3 基于接触状态识别的寻孔策略结构 |
1) 端面接触状态下的向心方向轨迹规划;
2) 两点接触状态下的侧向力方向轨迹规划;
3) 三点接触状态下的扭矩方向轨迹规划.
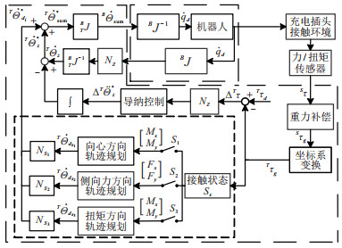
2 控制方式充电枪寻孔阶段采用力位混合控制, 控制框图如图 4所示. 力位混合控制由
|
图 4 系统控制框图 |
针对不同接触状态对
如图 5所示, 定义
| $ \begin{align} &{\varTheta} = {[x, y, z, \phi , \varphi , \psi ]^{\rm T}}, \end{align} $ | (1) |
| $ \begin{align} &{\mathit{\boldsymbol{\tau}}} = {[{F_x}, {F_y}, {F_z}, {M_x}, {M_y}, {M_z}]^{\rm T}}. \end{align} $ | (2) |
|
图 5 {S}坐标系、{T}坐标系与{G}坐标系 |
力位混合控制中的力控制体现于在寻孔过程中所需要的恒定装配力, 这是为了在寻孔过程中使充电枪插头与枪座能够始终保持良好的接触, 尤其是接触状态的转换瞬间, 因此需要在
| $ \begin{align} {{{N}}_Z} = {\rm diag}[0, 0, 1, 0, 0, 0]. \end{align} $ | (3) |
设定期望力为
对于寻孔期望线速度和角速度的规划, 需要根据不同接触状态下的静力分析采取不同的规划方式. 寻孔时接触状态分为3种: 端面接触状态
| $ \begin{align} ^T{\dot \varTheta}_{{d_i}}^* = {{ {N}}_i} \cdot {}^T{{\dot \varTheta}_{{d_i}}}, \; i = {S_1}, {S_2}, {S_3}. \end{align} $ | (4) |
最后将期望速度
为了识别寻孔接触状态, 需要选取具有代表性和区别性的特征值突出不同接触状态的静力特点. 而端面接触与两点接触和三点接触最大的区别在于在装配力的作用下侧向力不同. 在视觉定位位姿误差较小的情况下, 端面接触下的侧向力接近零, 而两点和三点接触下的侧向力不为零, 因此在采集到的六维力信息中选取装配力和侧向力作为特征值.
通过寻孔过程模拟实验, 采集不同接触状态下的六维力/扭矩传感器信息, 进而利用采集的接触力分析寻孔接触状态. 定义两个特征值
| $ \begin{align} &{x_1} = {F_z}, \end{align} $ | (5) |
| $ \begin{align} &{x_2} = F/{F_z}. \end{align} $ | (6) |
以特征值
|
图 6 两种特征值下的接触状态分布 |
将端面接触状态下的特征值用十字符号与其他接触状态(叉号)进行区分, 可大致分为两大部分: 上半部分端面接触状态和下半部分其他接触状态. 若能求出线性分割线
图 7为基于接触状态识别的寻孔策略流程. 通过线性分割线正确识别端面接触状态
|
图 7 基于接触状态识别的寻孔策略流程 |
对于端面接触状态, 需要估计接触点的位置以规划轨迹使枪头朝充电枪座中心移动.
图 8为端面接触状态的静力情况. 在{G}坐标系下, 定义接触点
| $ \begin{align} &{F_z}={F_{\rm{1}}} \cdot \cos \sigma \approx F; \end{align} $ | (7) |
| $ \left\{ \begin{align} {x_a} = {{{M_y}} /{{F_z}}}, \\ {y_a} = {{{M_x}} /{{F_z}}}; \end{align} \right. $ | (8) |
| $ \begin{align} &\alpha =\arctan {{{M_x}} / {{M_y}}}. \end{align} $ | (9) |
|
图 8 端面接触静力分析 |
其中:
由于双目视觉系统初始定位下的姿态误差较小,
| $ \begin{align} {N_{{S_1}}} = \begin{bmatrix} \cos \alpha , 0, 0, 0, 0, 0\\ 0, \sin \alpha , 0, 0, 0, 0 \end{bmatrix}^{\rm T}. \end{align} $ | (10) |
端面接触状态下需要在
| $ \begin{align} &{{\varTheta}_{{d_{{S_1}}}}}={[ {{x_d}, {y_d}} ]^{\rm T}}, \end{align} $ | (11) |
| $ \begin{align} &{{\varTheta}_{{S_1}}}={[ {x, y} ]^{\rm T}}. \end{align} $ | (12) |
期望速度需要跟随受力变化, 由导纳方程将输入接触力转换成期望速度. 建立如下导纳方程:
| $ \begin{align} &{M_f}={K_{{p_{x1}}}}({{\ddot x}_d} - \ddot x)+{K_{{d_{x1}}}}({{\dot x}_d} - \dot x)+\\ &\quad \quad \quad {K_{{e_{x1}}}}({x_d} - x), \end{align} $ | (13) |
| $ \begin{align} &{M_f}={K_{{p_{y1}}}}({{\ddot y}_d} - \ddot y)+{K_{{d_{y1}}}}({{\dot y}_d} - \dot y)+\\ &\quad \quad \quad {K_{{e_{y1}}}}({y_d} - y). \end{align} $ | (14) |
其中:
要得到速度大小需要求解三阶微分方程, 由于控制系统为离散系统, 采用积分迭代法求解速度. 已知初始条件为
| $ \begin{align} {x_d}(0) = {y_d}(0) = 0, \end{align} $ | (15) |
| $ \begin{align} {\dot x}_d(0) = {\dot y_d}(0) = 0. \end{align} $ | (16) |
利用步长
| $ \begin{align} &{\dot x_d}(t + \Delta t) = {\dot x_d}(t) + {\ddot x_d}(t)\Delta t, \end{align} $ | (17) |
| $ \begin{align} &{\dot y_d}(t + \Delta t) = {\dot y_d}(t) + {\ddot y_d}(t)\Delta t. \end{align} $ | (18) |
对于每次迭代, 由式(13)和(14)计算一次
结合式(3)得到在端面接触状态下期望速度
图 9为两点接触状态静力分析. 由于充电枪需要保持一个恒定的装配力, 充电枪座分别在接触点
| $ \begin{align} &F=\sqrt {{F_x}^2 + {F_y}^2}, \end{align} $ | (19) |
| $ \begin{align} &\beta = \arctan {{{F_y}} / {{F_x}}}. \end{align} $ | (20) |
|
图 9 两点接触状态静力分析 |
结合方向角
| $ \begin{align} {N_{{S_2}}} = \begin{bmatrix} \cos \beta &0&0&0&0&0\\ 0&\sin \beta &0&0&0&0 \end{bmatrix}^{\rm T}. \end{align} $ | (21) |
建立如下导纳方程:
| $ \begin{align} &{F_f}={K_{{p_{x2}}}}({{\ddot x}_d} - \ddot x)+{K_{{d_{x2}}}}({{\dot x}_d} - \dot x)+\\ &\quad \quad \; \; {K_{{e_{x2}}}}({x_d} - x), \end{align} $ | (22) |
| $ \begin{align} &{F_f}={K_{{p_{y2}}}}({{\ddot y}_d} - \ddot y)+{K_{{d_{y2}}}}({{\dot y}_d} - \dot y)+\\ &\quad \quad\; \; {K_{{e_{y2}}}}({y_d} - y). \end{align} $ | (23) |
其中:
同样采用积分迭代法求解期望速度, 由于期望侧向力
结合式(3)得到在两点接触状态下期望速度
图 10为三点接触状态静力分析. 由静力分析可得, 扭矩分量
| $ \begin{align} &M = \sqrt {{M_x}^2 + {M_y}^2}, \end{align} $ | (24) |
| $ \begin{align} &\gamma = \arctan {{{M_y}} / {{M_x}}}. \end{align} $ | (25) |
|
图 10 三点接触状态静力分析 |
结合
| $ \begin{align} {N_{{S_3}}} = \begin{bmatrix} 0&0&0&\cos \gamma &0&0\\ 0&0&0&0&\sin \gamma &0 \end{bmatrix}^{\rm T}. \end{align} $ | (26) |
建立如下导纳方程:
| $ \begin{align} &{M_f}={K_{{p_{\phi 3}}}}({{\ddot \phi }_d} - \ddot \phi )+{K_{{d_{\phi 3}}}}({{\dot \phi }_d} - \dot \phi )+\\ &\quad \quad\; \; \; {K_{{e_{\phi 3}}}}({\phi _d} - \phi ), \end{align} $ | (27) |
| $ \begin{align} &{M_f}={K_{{p_{\varphi 3}}}}({{\ddot \varphi }_d} - \ddot \varphi )+{K_{{d_{\varphi 3}}}}({{\dot \varphi }_d} - \dot \varphi )+\\ &\quad \quad \; \; \; {K_{{e_{\varphi 3}}}}({\varphi _d} - \varphi ). \end{align} $ | (28) |
其中:
同样采用积分迭代法求解三点接触状态下的期望速度
注1 为了获得稳定的期望速度, 使其振荡较小, 要使导纳方程处于临界阻尼或过阻尼, 即必须有
| $ \begin{align} {K_{{d_i}}} \geqslant 2\sqrt {{K_{{p_i}}}{K_{{e_i}}}}, \; i = {x_1}, {y_1}, {x_2}, {y_2}, {\phi _3}, {\varphi _3}. \end{align} $ | (29) |
式中参数的确定需要根据充电枪插头寻孔时的运动情况进行选取,
如图 11所示, 机器人充电操作实验平台由大族六轴协作机器人Elfin10、ATI六维力传感器和HT-GE500C工业摄像头组成.
|
图 11 机器人充电操作实验平台 |
由于选取的两种特征值均与装配力大小有关, 在寻孔接触状态模拟实验中分别进行对应装配力大小为10 N和40 N的实验. 实验数据对应10 N为8 523组, 对应40 N为9 366组.
对数据进行训练, 惩罚因子
| $ \begin{align} {x_2} = 0.003\;08{x_1} - 0.107. \end{align} $ | (30) |
|
图 12 基于SVM分类的接触状态分类 |
支持向量在总训练集中的比例为2.82
在寻孔实验中, 装配力大小为10 N, 不考虑姿态误差的情况下, 模拟视觉定位位置的误差分布如图 13所示. 以{G}坐标系原点
|
图 13 视觉定位位置误差分布 |
在考虑姿态误差下, 设定
| 表 1 视觉定位位姿误差下的寻孔实验 |
表 1的438次实验寻孔均成功, 寻孔时间平均为3.92 s, 表明较小的姿态误差会略微影响整体寻孔效率.
表 2为寻孔实验下3种接触状态下的期望惯性参数、期望阻尼参数和期望刚度参数.
| 表 2 3种接触状态下的期望导纳参数 |
以1组实验为例,
|
图 14 在线接触状态识别结果 |
图 15为充电枪末端轨迹跟踪曲线, 其中轨迹
|
图 15 充电枪末端轨迹跟踪曲线 |
图 16为对应充电枪寻孔实验, 各分图分别对应了寻孔时各阶段充电枪与充电枪座的状态.
|
图 16 充电枪寻孔实验图 |
造成三点接触的主要原因有充电枪与充电枪座之间配合公差较大以及充电枪座初始定位姿态误差较大. 结合本策略已经通过双目视觉系统初始定位将姿态误差控制在较小的范围内, 且实际充电枪装配配合公差仅为0.25 mm, 在寻孔实验过程中没有出现三点接触情况.
6 结论本文通过模拟人类操作员的充电操作过程, 针对机器人操作充电枪的寻孔提出了一种基于接触状态识别的寻孔策略. 基于接触力为基本特征点的SVM线性分割算法, 提出了一种寻孔接触状态识别方法, 在此基础上, 基于接触状态分类与静力分析, 结合导纳方程得到的期望速度, 针对3种接触状态, 提出了端面接触状态下的向心方向轨迹规划、两点接触状态下的侧向力方向轨迹规划、三点接触状态下的扭矩方向轨迹规划. 通过实验, 在模拟视觉定位位姿误差情况下实现了机器人操作充电枪寻孔策略.
所提出方法相对于现有的基于智能控制的寻孔策略更易实现, 通过结合接触状态的静力分析与寻孔过程模拟实验, 选取具有代表性和区别性的特征值将六维力信息转换成接触状态信息, 再根据具体接触状态进行轨迹规划, 整个寻孔过程模拟了操作员携带充电枪的寻孔过程, 为机器人操作充电枪寻孔方法提供了一个思路.
| [1] |
吴炳龙, 曲道奎, 徐方. 基于力/位混合控制的工业机器人精密轴孔装配[J]. 浙江大学学报: 工学版, 2018, 52(2): 379-386. (Wu B L, Qu D K, Xu F. Industrial robot high precision peg-in-hole assembly based on hybrid force/position control[J]. Journal of Zhejiang University: Engineering Science, 2018, 52(2): 379-386.) |
| [2] |
Park H, Park J, Lee D H, et al. Compliance-based robotic peg-in-hole assembly strategy without force feedback[J]. IEEE Transactions on Industrial Electronics, 2017, 64(8): 6299-6309. DOI:10.1109/TIE.2017.2682002 |
| [3] |
Lou Y N, Di S C. Design of a cable-driven auto-charging robot for electric vehicles[J]. IEEE Access, 2020, 8: 15640-15655. DOI:10.1109/ACCESS.2020.2966528 |
| [4] |
Abdullah M W, Roth H, Weyrich M, et al. An approach for peg-in-hole assembling using intuitive search algorithm based on human behavior and carried by sensors guided industrial robot[J]. IFAC-PapersOnLine, 2015, 48(3): 1476-1481. DOI:10.1016/j.ifacol.2015.06.295 |
| [5] |
Song H C, Kim Y L, Song J B. Guidance algorithm for complex-shape peg-in-hole strategy based on geometrical information and force control[J]. Advanced Robotics, 2016, 30(8): 552-563. DOI:10.1080/01691864.2015.1130172 |
| [6] |
Skubic M, Volz R A. Identifying single-ended contact formations from force sensor patterns[C]. International Conference on Robotics and Automation. Houston, 2000: 597-603.
|
| [7] |
Wang K J. Fuzzy sliding mode joint impedance control for a tendon-driven robot hand performing peg-in-hole assembly[C]. 2016 IEEE International Conference on Robotics and Biomimetics. Qingdao, 2016: 2087-2092.
|
| [8] |
Luo J L, Solowjow E, Wen C T, et al. Reinforcement learning on variable impedance controller for high-precision robotic assembly[C]. International Conference on Robotics and Automation. Montreal, 2019: 3080-3087.
|
| [9] |
Son C. A neural/fuzzy optimal process model for robotic part assembly[J]. International Journal of Machine Tools and Manufacture, 2001, 41(12): 1783-1794. DOI:10.1016/S0890-6955(01)00032-3 |
| [10] |
Debus T J, Dupont P E, Howe R D. Contact state estimation using multiple model estimation and hidden Markov models[J]. The International Journal of Robotics Research, 2004, 23(4/5): 399-413. |
| [11] |
Mosemann H, Raue A, Wahl F. Identification of assembly process states using polyhedral convex cones[C]. Proceedings 1999 IEEE International Conference on Robotics and Automation. Detroit, 1999: 2756-2761.
|
| [12] |
Xiao J, Liu L Z. Contact states: Representation and recognizability in the presence of uncertainties[C]. Proceedings of 1998 IEEE/RSJ International Conference on Intelligent Robots and Systems. Victoria, 1998: 1151-1156.
|
| [13] |
Suárez R, Basañez L, Rosell J. Assembly contact force domains in the presence of uncertainty[J]. IFAC Proceedings Volumes, 1994, 27(14): 653-659. DOI:10.1016/S1474-6670(17)47380-0 |
| [14] |
de Schutter J, Bruyninckx H, Dutré S, et al. Estimating first-order geometric parameters and monitoring contact transitions during force-controlled compliant motion[J]. The International Journal of Robotics Research, 1999, 18(12): 1161-1184. DOI:10.1177/02783649922067780 |
| [15] |
Lefebvre T, Bruyninckx H, de Schutter J. Polyhedral contact formation identification for autonomous compliant motion: Exact nonlinear Bayesian filtering[J]. IEEE Transactions on Robotics, 2005, 21(1): 124-129. DOI:10.1109/TRO.2004.833804 |
| [16] |
Gadeyne K, Lefebvre T, Bruyninckx H. Bayesian hybrid model-state estimation applied to simultaneous contact formation recognition and geometrical parameter estimation[J]. The International Journal of Robotics Research, 2005, 24(8): 615-630. DOI:10.1177/0278364905056196 |
| [17] |
Pan M, Sun C, Liu J, et al. Automatic recognition and location system for electric vehicle charging port in complex environment[J]. IET Image Processing, 2020, 14(10): 2263-2272. DOI:10.1049/iet-ipr.2019.1138 |
| [18] |
Xu J, Hou Z M, Wang W, et al. Feedback deep deterministic policy gradient with fuzzy reward for robotic multiple peg-in-hole assembly tasks[J]. IEEE Transactions on Industrial Informatics, 2019, 15(3): 1658-1667. DOI:10.1109/TII.2018.2868859 |
| [19] |
Cortes C, Vapnik V. Support-vector networks[J]. Machine Learning, 1995, 20(3): 273-297. |
| [20] |
Suykens J A K, Vandewalle J. Least squares support vector machine classifiers[J]. Neural Processing Letters, 1999, 9(3): 293-300. DOI:10.1023/A:1018628609742 |
| [21] |
Huang G B, Zhou H M, Ding X J, et al. Extreme learning machine for regression and multiclass classification[J]. IEEE Transactions on Systems, Man, and Cybernetics—Part B: Cybernetics, 2012, 42(2): 513-529. DOI:10.1109/TSMCB.2011.2168604 |
| [22] |
Miche Y, Sorjamaa A, Bas P, et al. OP-ELM: Optimally pruned extreme learning machine[J]. IEEE Transactions on Neural Networks, 2010, 21(1): 158-162. DOI:10.1109/TNN.2009.2036259 |
2022, Vol. 37
